Multiple Point Pop
Connection Requirements
Supported PLC Series
| XPnA/1R | XPnB | XPnE | XPnF | CP3A/B/P/U CP4A~D/U | CPnE | CPnF | BP | PLC-S |
|---|---|---|---|---|---|---|---|---|
| ✓ | ✓ | ✓ | ✓ | ✓ | ✓ | ✓ | ✓ | ✓ |
Supported Data Registers
| M | X | Y | K | L | F | T | C | S | Z | R | Q | D | @D | Constant |
|---|---|---|---|---|---|---|---|---|---|---|---|---|---|---|
| - | - | - | - | - | - | - | - | - | - | - | - | - | - | - |
Supported Flags
| Flag | Bit | Support |
|---|---|---|
| Error | F11.0 | - |
| Zero | F11.1 | - |
| Carry | F11.2 | - |
Number of Steps
| Steps |
|---|
| 1 |
Notice
![]()
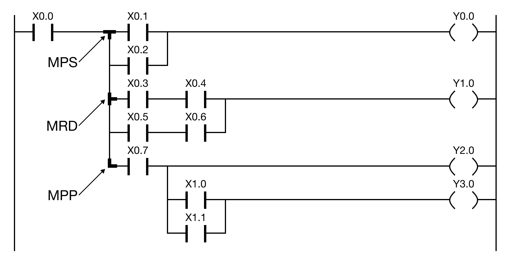
General Connection Behavior
The branching connections behave as follows:
- Multiple branch connections are used to connect output coils to the left-hand side of a contact.
- Without multiple branch connections, connections can only be made to the right-hand side of the last contact.
- For every MPS connection, there must be a corresponding MPP connection.
- The last contact or coil circuit must be connected by a MPP connection.
Multiple Point Pop Behavior
The MPP branch connection behaves as follows:
- MPP is NOT displayed in the ladder diagram.
- MPP reads the operation result stored by the MPS multiple branch connection.
- The connection performs the operation with the resulting value in the next step.
- MPP is used to finish branching in a ladder.
- MPP pops (recalls and removes) the stored connection point.
- MPP connects the next contact and then removes the point from the temporary storage area.
Examples
MPP Example
The MPP multiple branch connection clears the operation result stored by the MPS multiple branch connection.
![]()