Multiple Point Read
Connection Requirements
Supported PLC Series
| XPnA/1R | XPnB | XPnE | XPnF | CP3A/B/P/U CP4A~D/U | CPnE | CPnF | BP | PLC-S |
|---|---|---|---|---|---|---|---|---|
| ✓ | ✓ | ✓ | ✓ | ✓ | ✓ | ✓ | ✓ | ✓ |
Supported Data Registers
| M | X | Y | K | L | F | T | C | S | Z | R | Q | D | @D | Constant |
|---|---|---|---|---|---|---|---|---|---|---|---|---|---|---|
| - | - | - | - | - | - | - | - | - | - | - | - | - | - | - |
Supported Flags
| Flag | Bit | Support |
|---|---|---|
| Error | F11.0 | - |
| Zero | F11.1 | - |
| Carry | F11.2 | - |
Number of Steps
| Steps |
|---|
| 1 |
Notice
![]()
General Connection Behavior
The branching connections behave as follows:
- Multiple branch connections are used to connect output coils to the left-hand side of a contact.
- Without multiple branch connections, connections can only be made to the right-hand side of the last contact.
- For every MPS connection, there must be a corresponding MPP connection.
- The last contact or coil circuit must be connected by a MPP connection.
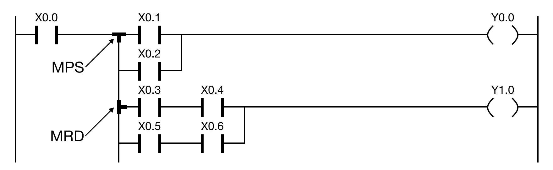
Multiple Point Read Behavior
The MRD branch connection behaves as follows:
- MRD is NOT displayed in the ladder diagram.
- MRD reads the operation result stored by the MPS multiple branch connection.
- The connection performs the operation with the resulting value in the next step.
- MRD is used to relay branching in a ladder.
- MRD recalls, or reads, the previously sorted connection point data and forces the next contact to connect to it.
Examples
MRD Example
The MRD multiple branch connection reads the operation result stored by the MPS multiple branch connection.
![]()