Micro-S CPU Series I/O Pin Map
Micro-S CPU I/O Pin Map
The following are I/O pin maps for the CM3-SB16MDTF, CM3-SB16MDCF, CM3-SB32MDTF, CM3-SP32MDCF, and the CM3-SB32MDRF.
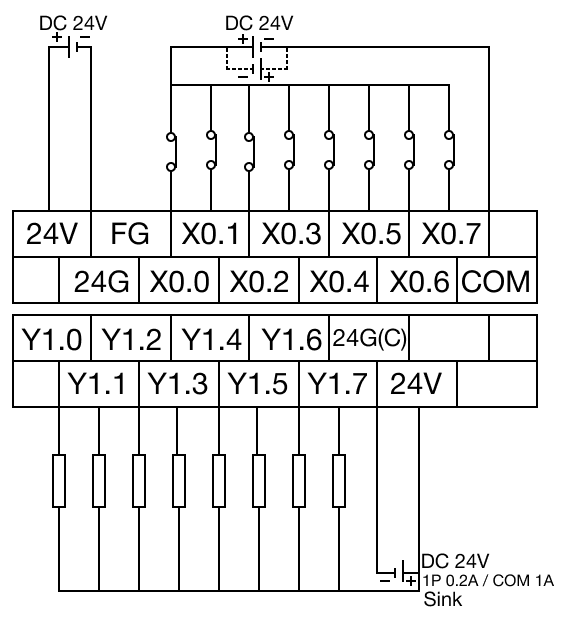
CM3-SB16MDTF
![]()
Sinking Output
CM3-SB16MDCF
![]()
Sourcing Output
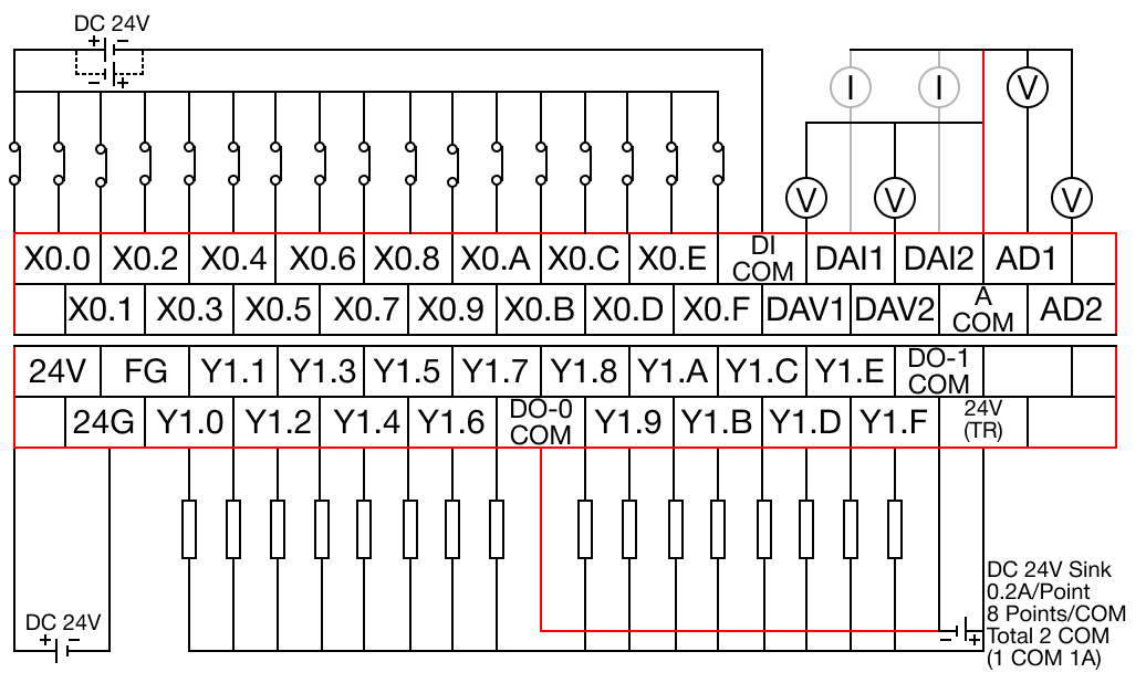
CM3-SB32MDTF
![]()
Sinking Output
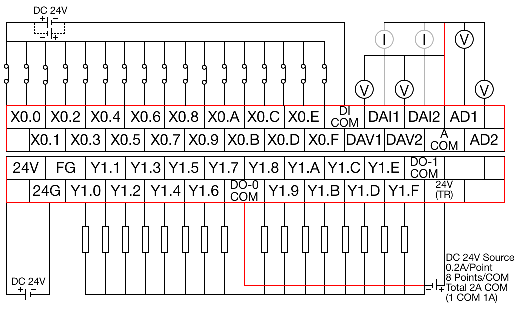
CM3-SB32MDCF
![]()
Sourcing Output
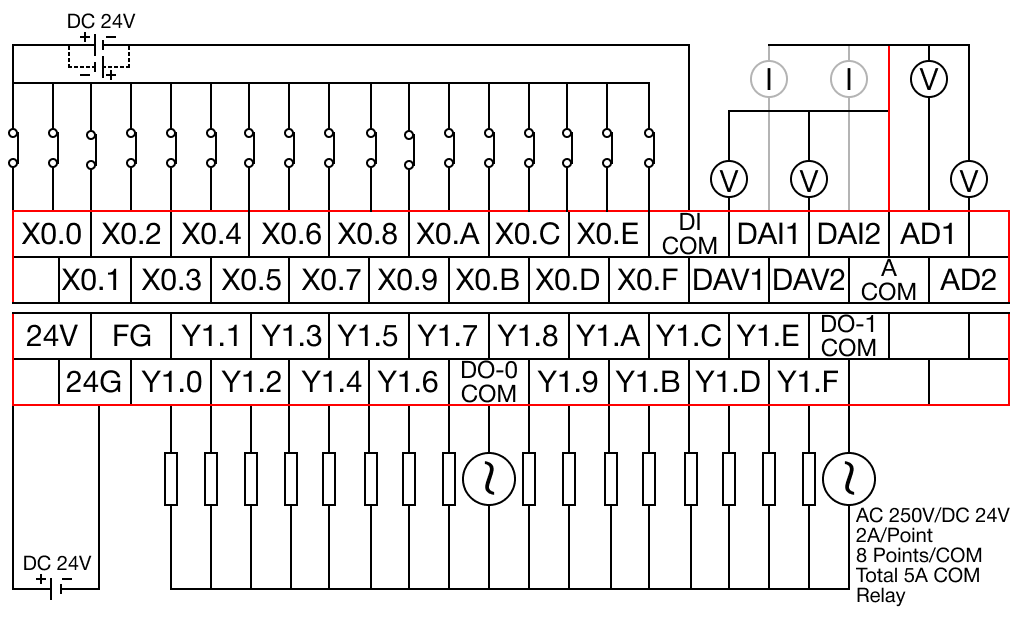
CM3-SB32MDRF
![]()
Relay Output