CM3 High-Speed Counter Module Wiring Guide
CM3-SP02HSC
CM0-TB32M Pin Map
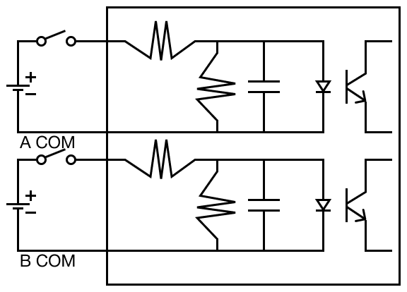
Input Signal Circuit
![]()
CM3-SP02HSD
CM0-TB32M Pin Map
Examples
5V Output
![]()
Waveform generator outputs 5V for the CM3-SP02HSC.
24V Output (PNP Open Collector)
![]()
Waveform generator outputs 24V (PNP open collector) for the CM3-SP02HSC.
24V Output (NPN Open Collector)
![]()
Waveform generator outputs 24V (NPN open collector) for the CM3-SP02HSC.
Totem Pole Output (Voltage)
![]()
Waveform generator outputs totem pole (voltage) for the CM3-SP02HSC.
Totem Pole Output (NPN Open Collector)
![]()
Waveform generator outputs totem pole (NPN open collector) for the CM3-SP02HSC.
Line Driver
![]()
Waveform generator outputs line driver for the CM3-SP02HSD.
Preset and Enable Count Input
![]()
Preset and enable count input for the CM3-SP02HSC and CM3-SP02HSD.
Output Compare 1 and 2
![]()
Output compare 1 and 2 for the CM3-SP02HSC and CM3-SP02HSD.